- Конструкция радиальных шарикоподшипников
2.1 Основные компоненты
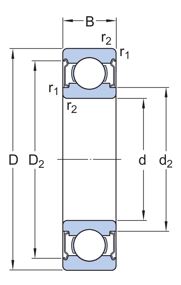
Радиальный шарикоподшипник состоит из следующих основных элементов:
a) Внутреннее кольцо b) Наружное кольцо c) Шарики (тела качения) d) Сепаратор
2.2 Геометрия дорожек качения
Дорожки качения на внутреннем и наружном кольцах имеют специально рассчитанную кривизну, обеспечивающую оптимальный контакт с шариками. Обычно используется профиль в виде дуги окружности с радиусом, несколько превышающим радиус шарика.
2.3 Материалы
Для изготовления колец и шариков чаще всего используются высококачественные подшипниковые стали, такие как AISI 52100 (ШХ15 по ГОСТ). Сепараторы могут быть изготовлены из стали, латуни или полимерных материалов.
- Принципы работы
3.1 Распределение нагрузки
Радиальная нагрузка, приложенная к подшипнику, распределяется между шариками, находящимися в зоне нагружения. Максимальная нагрузка приходится на шарик, расположенный в направлении действия силы.
3.2 Контактные напряжения
В точках контакта шариков с дорожками качения возникают герцевские контактные напряжения. Распределение этих напряжений играет ключевую роль в определении грузоподъёмности и долговечности подшипника.
3.3 Кинематика
При вращении внутреннего кольца относительно наружного шарики совершают сложное движение: они вращаются вокруг собственной оси и одновременно обкатываются по дорожкам качения.
- Характеристики и параметры
4.1 Грузоподъёмность
Различают статическую и динамическую грузоподъёмность. Статическая грузоподъёмность определяет максимальную нагрузку, которую подшипник может выдержать без остаточной деформации. Динамическая грузоподъёмность используется для расчета ресурса подшипника при заданных условиях работы.
4.2 Предельная частота вращения
Максимальная допустимая частота вращения зависит от конструкции подшипника, типа смазки и метода охлаждения.
4.3 Точность
Радиальные шарикоподшипники изготавливаются с различными классами точности, определяющими допуски на размеры и отклонения формы.
4.4 Момент трения
Момент трения в подшипнике зависит от нагрузки, частоты вращения, типа и количества смазки.
- Применение
Радиальные шарикоподшипники широко используются в различных отраслях промышленности, включая:
- Автомобилестроение (колесные ступицы, трансмиссии)
- Электродвигатели и генераторы
- Бытовая техника (стиральные машины, вентиляторы)
- Промышленное оборудование (насосы, компрессоры)
- Сельскохозяйственная техника
- Современные тенденции и инновации
6.1 Гибридные подшипники
Использование керамических шариков (обычно из нитрида кремния) в сочетании со стальными кольцами позволяет улучшить характеристики подшипников при высоких скоростях и в условиях недостаточной смазки.
6.2 Улучшенные материалы и покрытия
Разработка новых марок сталей и применение специальных покрытий (например, DLC - алмазоподобного углерода) позволяет повысить износостойкость и коррозионную стойкость подшипников.
6.3 Интеллектуальные подшипники
Интеграция датчиков непосредственно в конструкцию подшипника позволяет осуществлять мониторинг его состояния в реальном времени, что особенно важно для критически важного оборудования.
- Заключение
Радиальные шарикоподшипники остаются незаменимыми компонентами во многих механических системах благодаря своей простоте, надежности и эффективности. Понимание их конструкции, принципов работы и характеристик необходимо для правильного выбора и эксплуатации подшипников в различных приложениях. Продолжающиеся исследования и разработки в области материалов, конструкции и интеграции датчиков обещают дальнейшее улучшение характеристик и расширение областей применения радиальных шарикоподшипников в будущем.
Если вам нужна дополнительная информация или разъяснение каких-либо аспектов этой статьи, пожалуйста, дайте мне знать.
