Фильтр
Сначала популярные
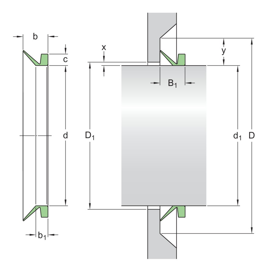
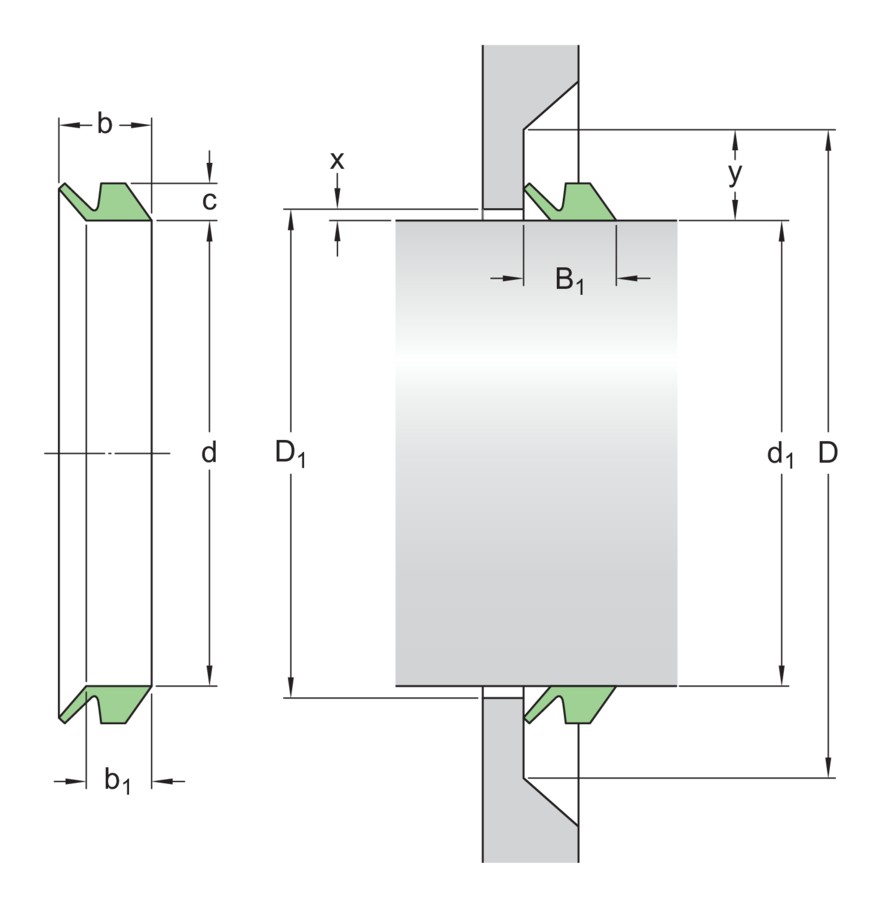
V-образные уплотнения устанавливаются на валах с помощью специальных инструментов и крепежных элементов, которые обеспечивают надежное крепление и защиту от вибрации и механических повреждений. При выборе V-образного уплотнения необходимо учитывать диаметр вала, скорость его вращения, рабочую температуру и давление, а также характеристики рабочей среды.
Правильно подобранное и установленное V-образное уплотнение обеспечивает надежную герметизацию вала и увеличивает срок службы оборудования, предотвращая износ и коррозию вала и подвижных деталей.
